RJ45 lightning protection device is specially designed for computer users in areas with inadequate lightning protection infrastructure, such as towns and mountainous areas with imperfect lightning protection facilities. Destructive electromagnetic waves such as lightning will enter the connected computer network port through the network cable, resulting in damage to the network port or even the computer motherboard. The RJ45 lightning protection device adopts international advanced lightning protection components, combined with excellent lightning protection circuits to protect the computer.The security of the network port and its motherboard greatly improves the ability of the signal port of network communication equipment to resist lightning strikes and surges.
THOR RJ45 SPDs are suitable for various devices with RJ45 network ports, such as RJ45 network port protection for computers, routers, IPTVs, printers and other equipment. RJ45 surge protection is 1, 2, 6, 4, 5, 7, 8. Effectively protect 100/1000M adaptive network cards and motherboards with integrated network ports, and pass the international standards EN61643-21/IEC61643-21.
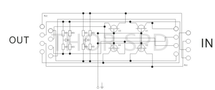
Diagram of RJ45 surge protector:

| Parameter/Type | TRSS-RJ45 | TRSS-RJ45/16 For 19'' Cabinet Rack | TRSS-RJ45/24 For 19'' Cabinet Rack |
| Material/Ports numbers | PA66/Aluminum/single port | Aluminum/16 ports | Aluminum/24 ports |
| Nominal volatge Un | 48 V | ||
| Maximum operating voltage (d.c.) Uc | 50 V | ||
| Maximum operating voltage (a.c.) Uc | 34 V | ||
| Maximum operating voltage (d.c.) pair-pai(PoE) Uc | 57 V | ||
| Nominal current IL | 1 A | ||
| Current flow (8/20μs)(L-L) | 5 kA | ||
| Current flow (8/20μs)(L-PE) | 10 kA | ||
| Voltage protection level (L-L) Up | 60 V | ||
| Voltage protection level (L-PE) Up | 500 V | ||
| Cut-off frequency | 250 MHz | ||
| Insertion loss at 250 MHz (1000Mpbs) | ≤ 0,5 dB | ||
| Connection (input/ output) | RJ45 socket/ RJ45 socket | ||
| Pinning | Data:1/2/3/6; PoE:4/5/7/8 | ||
| Response time ta | 25ns | ||
| Degree of protection | IP20 | ||
| Range of operating temperatures (min/max) | -40℃/70℃ | ||
| Humidity range | 5%-95% | ||
| According to standard | EN 61643-21:2012, IEC 61643-21:2011 | ||